当前位置 : 首页 > 产品中心 > 低温阀门

低温阀门

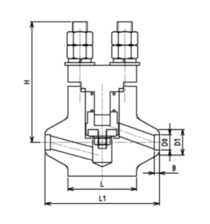
低温升降式止回阀 DH61F-320P

此类型止回阀用于低温储槽、槽车和撬装管路防止介质倒流,具有密封可靠的特点。


产品详情

技术参数:

公称通径:DN15-40 mm

公称压力:32.0MPa

使用介质:LNG、O2、N2、Ar、CO2等

使用温度:-196~+80℃

连接形式:焊接

注意事项:忌油

介质流向:由阀顶下部向上(低进高出)


材料:

阀体:ZG06Cr19Ni10

阀盖:06Cr19Ni10

阀顶:06Cr19Ni10

密封圈:RPTFE

在线客服